I ventilatori a recupero di energia Mycond MVS***-DW sono costruiti con motori DC brushless a più alta efficienza, il consumo di energia è ridotto fino al 70%, con un conseguente significativo risparmio energetico.



L'unità immette aria fresca nella stanza,
mentre espelle l'aria interna viziata all'esterno,
in modo che possiate godere del comfort dell'ambiente naturale.
Durante la ventilazione, lo scambiatore di calore integrato ad alta efficienza
recupera oltre il 70% dell'energia dall'aria di scarico
e la utilizza per riscaldare l'aria fresca in ingresso.


L'unità ha un aspetto elegante, con un corpo
modellato con cura. Qualsiasi rumore di funzionamento è perfettamente silenziato grazie
alla struttura anecoica microforata con
eccellenti proprietà aerodinamiche.
I filtri dell'aria ben progettati all'interno dell'unità
rimuovono efficacemente gli inquinanti dall'aria aspirata
per offrirvi aria fresca e pulita.


La funzione di by-pass consente una
ventilazione naturale in condizioni climatiche adeguate, che
può prolungare la durata dello scambiatore di calore.
Inoltre, questa modalità consente di utilizzare la modalità free-cooling in primavera/autunno e lo sbrinamento dello
scambiatore di calore in inverno.
Lo scambiatore di calore è collegato tramite una guida stampata e sigillato con speciali guarnizioni morbide e dense. Di conseguenza, è rimovibile manualmente e di facile manutenzione, separando completamente i flussi d'aria fresca e di scarico per evitare l'inquinamento incrociato.




* Disponibile come opzione
Maggiore efficienza con lo scambiatore entalpico di terza generazione
Lo scambiatore entalpico di terza generazione è realizzato con una struttura in nanofibre di ultima generazione per garantire una maggiore efficienza. Lo scambiatore entalpico a flusso incrociato è costruito in questo RV, con un'efficienza di recupero del calore fino all'82% in inverno; lo scambio di umidità tra l'aria fresca e l'aria di scarico consente di ottenere una temperatura e un'umidità interne confortevoli.

In estate, il sistema di recupero del calore consente di risparmiare energia elettrica per il condizionamento dell'aria restituendo all'esterno parte del calore esterno.

In inverno, parte del calore interno viene restituito all'ambiente, con un notevole risparmio sul riscaldamento dell'aria e degli ambienti.

I dati sono forniti come riferimento. Molto dipende dall'umidità dell'aria interna, dall'umidità esterna, dall'isolamento termico della stanza, dall'isolamento termico e dalla lunghezza dei condotti dell'aria, ecc.
| Specifiche | Unità | MVS400-DW | MVS500-DW | MVS700-DW | MVS900-DW | MVS1100-DW | MVS1400-DW | MVS1600-DW | MVS2200-DW | MVS2800-DW |
| Portata d'aria | m3/h | 300 | 400 | 600 | 800 | 1000 | 1300 | 1500 | 2000 | 2600 |
| Pressione esterna | Pa | 85 | 88 | 97 | 100 | 86 | 90 | 72 | 77 | 81 |
| Efficienza entalpica, raffreddamento | % | 57-70 | 57-70 | 59-74 | 55-66 | 58-70 | 56-68 | 63-71 | 60-68 | 56-68 |
| Efficienza entalpica, riscaldamento | % | 61-72 | 60-74 | 61-78 | 57-76 | 62-75 | 59-70 | 65-73 | 62-72 | 59-70 |
| Efficienza di trasferimento del calore | % | 68-82 | 69-83 | 70-83 | 68-83 | 70-83 | 70-83 | 76-80 | 76-82 | 70-83 |
| Livello di rumore | dB(A) | 34.5 | 37.5 | 39 | 41 | 42 | 43 | 50 | 51.5 | 53 |
| Tensione | 220-240 V / 1 fase / 50 Hz | |||||||||
| Potenza in ingresso | W | 80 | 116 | 162 | 290 | 327 | 424 | 700 | 724 | 848 |
| Cavo di alimentazione | mm2 | 3×1.5 | 3×1.5 | 3x1.5 | 3x1.5 | 3x1.5 | 3x1.5 | 3x1.5 | 3x1.5 | 3x1.5 |
| Cavo di controllo | mm2 | 2×0.5 | 2×0.5 | 2x0.5 | 2x0.5 | 2x0.5 | 2x0.5 | 2x0.5 | 2x0.5 | 2x0.5 |
| Controllo, standard | Sì (orologio a 7 giorni) | |||||||||
| Controllo (BMS), Modbus | Sì | |||||||||
| Tipo di ventilatore | Motore ventilatore BLDC | |||||||||
| Velocità del ventilatore (aria di alimentazione) | controllo del ventilatore a 10 velocità | |||||||||
| Velocità del ventilatore (aria di scarico) | comando del ventilatore a 10 velocità | |||||||||
| Bypass | Sì (automatico entro un intervallo regolabile) | |||||||||
| Sbrinamento | Sì (automatico entro un intervallo regolabile) | |||||||||
| ControlloCO2 | Sensore aggiuntivo (controllo on/off entro un intervallo regolabile) | |||||||||
| Contatti di uscita per allarme guasti | Sì | Sì | Sì | Sì | Sì | Si | Si | Si | Sì | |
| Spegnimento del fuoco | Sì | Sì | Sì | Sì | Sì | Si | Si | Si | Si | |
| Peso | kg | 25 | 31 | 34 | 53 | 61 | 71 | 106 | 122 | 142 |
| Dimensioni: LxLxH | mm | 744×599×270 | 744×599×270 | 867×902×280 | 1134×884×388 | 1134×1134×388 | 1193×1243×388 | 1134×884×776 | 1134×1134×776 | 1193×1243×776 |
| Diametro del condotto di collegamento | mm | 150 | 150 | 200 | 250 | 250 | 250 | 650×280 | 650×280 | 650×280 |
Dimensioni
Unità di ventilazione MVS400-DW - MVS500-DW
| Модель | A | B | C | E | F | G | I | K | M | N |
| MVS400-DW | 599 | 744 | 100 | 675 | 657 | 19 | 315 | 111 | 270 | Ø144 |
| MVS500-DW | 804 | 744 | 100 | 675 | 862 | 19 | 480 | 111 | 270 | Ø144 |

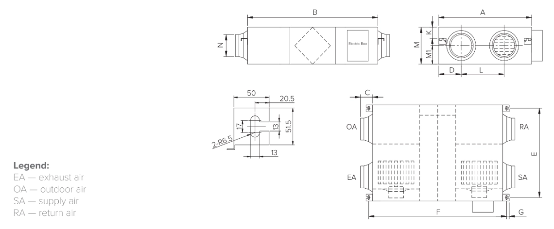
Dimensioni
Unità di ventilazione MVS700-DW - MVS1100-DW
| Modello | A | B | C | D | E | F | G | L | K | M | M1 | N |
| MVS700-DW | 902 | 867 | 107 | 197 | 833.5 | 922 | 20.5 | 451.5 | 115.5 | 280 | 139.5 | Ø194 |
| MVS900-DW | 884 | 1134 | 85 | 202 | 818 | 1189 | 20.5 | 378 | 128 | 388 | 194 | Ø242 |
| MVS1100-DW | 1134 | 1134 | 85 | 202 | 1068 | 1189 | 20.5 | 628 | 128 | 388 | 194 | Ø242 |
Tutte le misure sono espresse in millimetri.

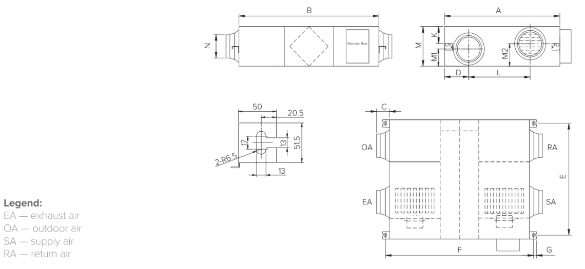
Dimensioni
Unità di ventilazione MVS1400-DW
| Modello | A | B | C | D | E | F | G | L | K | M | M1 | M2 | N |
| MVS1400-DW | 1243 | 1193 | 85 | 241 | 1172.5 | 1248 | 20.5 | 629.5 | 133 | 388 | 191 | 241 | Ø242 |
Tutte le misure sono espresse in millimetri.

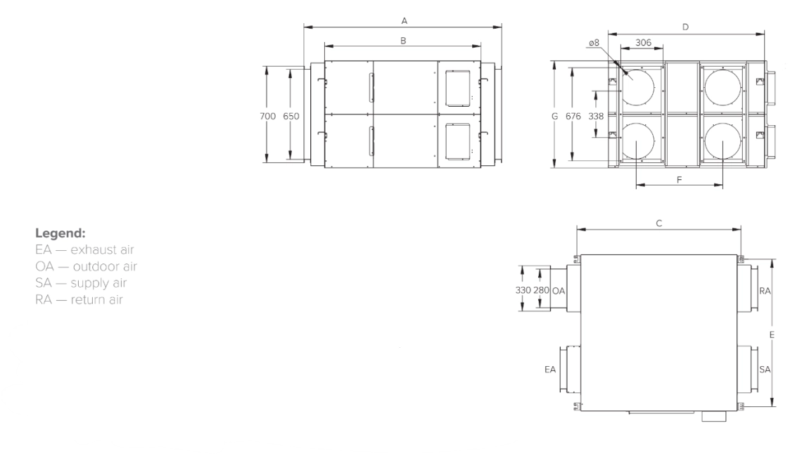
Dimensioni
Unità di ventilazione MVS1600-DW - MVS2800-DW
| Modello | A | B | C | D | E | F | G | H | L |
| MVS1600-DW | 1434 | 1134 | 1189 | 884 | 818 | 378 | 776 | 650 | 280 |
| MVS2200-DW | 1434 | 1134 | 1189 | 1134 | 1068 | 628 | 776 | 650 | 280 |
| MVS2800-DW | 1493 | 1193 | 1248 | 1243 | 1173 | 629.5 | 776 | 650 | 280 |
Tutte le misure sono espresse in millimetri.

Parametri di prestazione

Parametri di prestazione

Parametri di performance

Parametri di performance

Parametri di performance
